用RGB LED实现高亮度背光源
编者按:LCD作为一种被动显示元器件,本身并不能发光,因此必须要有背光模块给LCD提供光源。背光源的性能直接决定显示器的亮度、颜色,以及功耗等主要指标。
目前的背光模组一般使用冷阴极管(CCFL)为光源,包含了红、绿、蓝等各色光的频率。CCFL因辉度高、成本低廉、技术成熟等优点被广泛 的运用在平板显示器上。随着发光二极管(LED)亮度的改善,LED背光模组显示出CCFL无法比拟的优点,如色彩还原性好、寿命长、不含汞、有利于环境 保护,这些使其成为LCD背光模组中的研究热点。
LED背光模组的设计主要包括光学结构设计和驱动电路设计,显示性能主要表现在亮度、色度、均匀性等方面,但是由于目前LED的电光转换效 率较低,仅10%~15%,因此带来的热量问题也显现了出来,成为背光模组设计中必须考虑的一部分。驱动电路设计时需综合考虑光学结构和温度对性能造成的 偏移,另外合适的驱动设计可改善显示对比度并延长LED工作寿命。针对目前车载、机载、工业仪表等显示设备的苛刻要求,如高亮度、高均匀性、宽调光比、高 色度均匀性、严酷环境适应性和亮度可调等,该类显示设备主要集中在中尺寸。本文将结合这些要求探讨RGB LED高亮度背光源的设计方案。
系统设计
目前背光模组结构主要有两种:侧入式和直下式。由于产品亮度和热量的高要求,优选采取直下式背光结构。通过采用大功率RGB LED发出的光复合产生白光,R、G、B三色LED分开封装,使三色LED的电路得以独立,便于反馈电路作电流调整,以保证背光模组产生稳定的白光光源。
光源发出的光经过光学腔(腔壁采用高效漫反射片)混合后,再经过各种必要的光学膜片后,得到屏前(FOS)要求亮度。光学膜片一般包括扩散板(diffuser)、集光片(BEF)、增亮片(DBEF)、TFT屏和减反层等,如图1所示。

1 光学设计
显示模组的基本光学性质为屏前的白光色度、最高亮度及均匀性等。在背光系统里面,增亮片、集光片、扩散板、底反射片及LED(R、G、B) 均称为光学元件,具有各自的光学性质,这些性质是光学设计时的重要参数。LED光源发出的光经过各层膜片及TFT时都发生了一定的变化。知道了这些参数 后,就可以根据需求亮度和产品基本尺寸,按式(1)估算(lambertian型LED)背光所需的总光通量。
ΦLED=LFOS/ηLCD*A*2π*(1-cosφ1/2) /∏Ti (1)
式(1)中ΦLED为光通量,LFOS为屏前亮度,ηLCD为TFT透过率,A为TFT有效显示面积,φ1/2为 (BEF与diffuser之间)亮度峰值的50%时的偏轴视角;∏Ti为各背光膜片亮度增益乘积。以 6.4英寸显示模组为例,要求亮度为1000nit时,所需光通量总计约750lm。
接下来,必须把计算的总光通量分别分配到R、G、B三基色LED中,设计分配方案时,需要考虑的参数为产品白光色度要求(需根据经验考虑光 学组件的色度偏移),及三基色色坐标(CIE1931),并按式(2)进行估算。

式(2)中ΦR、ΦG、ΦB为所需三基色LED的光通量,xR、yR、xG、yG、xB、yB 、xW、yw为三基色LED和要求白光的CIE1931色坐标(三基色LED色度选取时,应先参考与彩膜(CF)的透射光谱匹配,再经视觉函数校正),分 别取主波长625nm、530nm、470nm,经估算后取ΦR145lm、ΦG500lm、ΦB105lm。
现在,可以根据LED的规格(光效)大致计算出单色LED的工作电流和个数。以6.4英寸(4×5)背光为例,选取额定功率均 约为1W(大功率的LED要求芯片面积增加,这样会出现电流密度不均匀,会造成整体效率下降,产生较高热量)的三基色LED,经估算,决定采用RGGBB 方案,共6组,总共采用30颗LED。
最后,背光模组光学设计要做的是,保证混光的均匀性。在这里,我们采取底部均匀分组分布的排列形式(2×3),根据经验,背光 腔高度大于15mm,均匀性可达80%。如果想进一步改善均匀度和结构厚度,可参考如图2所示的“植入地板架”设计。

2 热设计
LED工作时会发出大量的热,如果不解决散热问题,会导致发光亮度减弱和使用寿命的衰减。特别注意的是,温度对亮度的影响是线性的,而对寿命的影响呈指数性。如式(3)所示,可以根据光通量和发光效率估算出背光模组的功耗。
Pi=Φi*(Vfi0*Ii0)/Φ0 (3)
式(3)中,i为R、G、B,Vfi0、Ii0、Φ0为LED典型的正向电压、电流和光通量。经初步估算,总的功率Pt(∑Pi)约为24W。
LED阵列一般焊接在金属核心的印刷电路板(MCPCB)上,再通过散热片向环境散热,其散热模型如图3所示。

MCPCB比过去的FR4 PCB散热效果好,但MCPCB的介电层却没有太好的热传导率,为了改善这一情形,提出了绝缘金属基板(IMS)改善法,进一步提高了热传导率。新型陶瓷 基的热传导率更是达到24170W/m·K。此外,还可以通过外部空气对流的形式进一步加强散热。
分别对RGB三色LED作温度校正后,为了达到设定的亮度,设计选用的LED驱动电流分别为:IR=220mA,IG=280mA,IB=270mA。
驱动电路设计
在满足应用要求的同时,为了使背光模块能够更好地工作,系统应包括过压欠压保护、冗余设计、亮度控制、高温保护、色温控制,以及通过外部风扇加快空气对流达到散热要求等几部分,如图4所示。

1 LED驱动
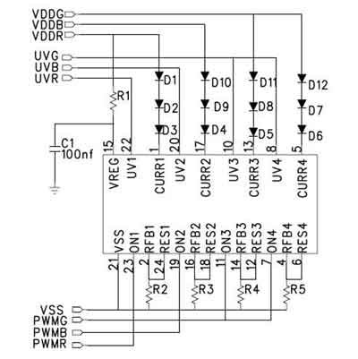
目前可用来驱动大功率LED的IC很多,如国半的LM3402、奥地利微电子的AS3691和Supertex的HV9911等。考虑到设 计要求的驱动电流较大,为了保证每组的LED稳定工作,采用奥地利微电子的AS3691来驱动。该IC的特点是结构简单、高效稳定。AS3691对于 RGB LED驱动的供电是每路分开供电的,每串的最大电流在400mA,电流精度在±0.5%。在调光方面,AS3691内部的PWM调光功能能 够快速的PWM调光反应,为了提高背光亮度调节的精度,利用MCU产生的PWM功能来实现,调光等级可达到256级。图5是RGB LED驱动电路原理示意图。

2 背光源亮度控制设计
对于背光源的亮度控制主要有两种方法:通过光感应器件采集光的亮度值反馈给MCU;MCU通过处理PWM改变背光源亮度;通过客户输入亮度指令改变背光源亮度。
在设计光感应器件采集光亮度时,可以通过光感应器采集到光信号转化成模拟信号或数字信号给MCU,根据这些信号PWM做出一定的处理,以达 到改变背光源亮度的目的;在设计驱动时,必须有一定的通信方式与主机通信,客户可以通过这些通信方式输入不同的背光亮度指令以得到不同的背光源亮度。
3 高温保护电路
为了更好地适应高温工作,保护元器件,除使用铝基板散热外,还可以设计高温保护电路和外部风扇控制电路。高温保护电路可以利用NTC热敏电 阻的特性——当它处于不同温度环境时,其阻值不同的特性。利用运放,将热敏电阻在不同温度环境下的输出电流转换成电压值,输入到 MCU的I/O口,根据程序设定的过温保护值,判断是否超出其范围,如果超出规定值时,单片机通过改变PWM方波的占空比,调节输出到LED的电流,使 LED的功率降低,转化的热量变少,温度降低。低于安全温度后,再增加输出的电流,使LED亮度变亮,如果采样的温度再次比安全温度高,就重复以上的过 程。
同时当温度高于安全温度时, MCU的控制风扇I/O输出相应的电平,使风扇工作,以加强空气对流,起到散热的目的,这个控制也随着是否高于设定的安全温度不断循环工作。
4 色温控制设计
为了把背光源的色坐标控制在某一范围内,方案中可以采用色度感应器。色感应器采集的R、G、B信号输出给MCU的I/O,这些信号与MCU 内对应的程序设定值比较,如果超出设定值,就会分别调节对应的PWM信号,使色坐标在规定范围内。由于不同膜系会对光谱造成不同的影响,所以透过色温控制 实现背光源的色温在某一范围内与实际测量的色坐标范围会有一定的差异,所以在使用时一定要校正。这个控制过程也随着背光源的色坐标是否超出规定值不断循环 工作。
总结
本文以设计高亮度RGB LED背光模块为例,阐述在用RGB LED设计高亮度背光源过程中需要考虑的问题,着重对RGB LED背光模块中高亮度的实现、散热问题的处理以及背光源的驱动和亮度、色温控制等方面进行了分析,为设计背光源提供一定的参考。