步进电机控制芯片UDN2916LB原理及应用
摘要:UDN2916LB是SANKEN公司推出的一款2相步进电机双极驱动集成电路(IC),特别适用于目前国内税控市场双步进微型打印机电机的控制,本文介绍了UDN2916LB性能特点、内部结构和设计考虑,同时给出了由UDN2916LB组成的双步进微型打印机电机应用电路。
关键词:UDN2916LB,双步进微型打印机
引言:随着国家“金税”工程进一步推进, 2005年近百家企业取得税控收款机生产许可证,容量达3000万台的税控市场即将井喷。据估计大约三分之一税控收款机市场将安装双步进微型打印机来打印发票。控制该类型步进电机驱动芯片UDN2916LB市场应用将极为广泛。
原理介绍:UDN2916LB是一款能够驱动双绕组双极步进电机的IC。适用的电机电源电压范围为10V-45V,逻辑电源电压不能超过7V;通过内部脉宽调制控制器(PWM)实现750mA的输出电流;同时还具有例如:内置1/3和2/3分割器,通过逻辑输入实现1-phase/2-phase/W1-2phase激励模式,内置过热和交叉电流保护功能,集成钳制二极管,内置防止低压误操作保护功能。UDN2916LB内部结构如下图:芯片有两组电路构成,每组电路由PWM控制器、电桥及辅助电路组成。见图1

1,PWM电流控制电路:
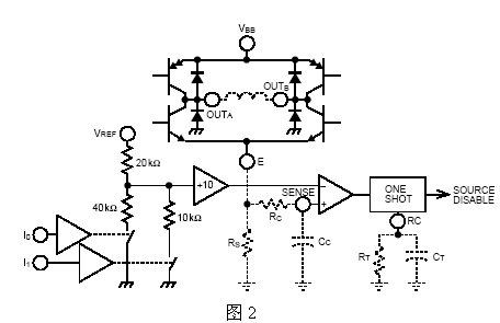
每个PWM控制器由一组电桥、及其外部一个感应电阻(Rs)、一个内部比较器和一个单稳多谐振荡器组成,来独立感应和控制输出电流。见图2

当电桥导通时,电机线圈中电流开始增大,电流通过外部感应电阻产生的感应电压也在增大,当感应电压达到比较器输入端设定电压值时,线圈中电流ITRIP = VREF/10 RS ,比较器此时触发单稳态关闭电桥的源驱动。由于内部逻辑和转换开关的延迟会导致实际负载电流峰值稍高于理论值,这种延迟(td)典型值为2µs。当电桥关闭后,电机电流开始衰减,通过地钳位二极管和接收晶体管回流。源驱动关闭时间由单稳态的外部RC决定toff = RTCT,一般RT取值范围在20K~100K,CT取值范围在100pF~1000Pf。PWM输出电流波形见图3,负载电流路径见图4

被设定的源驱动关闭时间toff应该小于46 µs(既:此时电流斩波频率处于听觉范围临界点),同时尽可能长,以便正确调节输出电流。因为只减缓延迟(如关闭时间小于10 µs)来控制电流,就需要额外的努力来确保电流正确调节。在使用短关闭时间时,不利于正确有效调节电流的几个因素有以下几个:较高的电机工作电压、较低的负载、较长的脉冲消失时间。当源驱动重新有效时,线圈电流(感应电压)又被允许上升到比较器的设定值。这种自循环可有效实现电机在可控电流值情况下正常工作。
带有高分布电容的负载可能会导致较高的打开电流峰值,这种电流峰值(通过RS时出现)将达到比较器的临界点,导致错误的电流控制或高频震荡。一个外部RCCC时间延迟被用于进一步延迟比较器的动作。根据负载类型,许多应用并不需要这些外部器件(SENSE引脚直接连到E引脚)。
2,输出电流的逻辑控制
两个输入逻辑信号(l0 和 I1)用于数字选择电机线圈电流在其最大水平的百分比,100%, 67%, 33%, or 0%。0%的输出电流值说明电桥关闭了所有驱动并且也作为一个输出特性。电流控制真值表如下:见表1

3,减少和分散功耗
提高热性能的方法是在4个输出端和地之间分别增加肖特基二极管,因为驱动IC消耗的大部分能量主要为在突变关闭期间马达再生电流造成,马达产生的再生电流流过电流检测电阻和地钳制二极管重新流回马达,通过这种路径产生的电压跌落引起了能量消耗,在这个路径上地钳制二极管上的瞬时电压(VF)出现了最大的跌落。意味着外加的肖特基势二极管将会提高驱动IC的热性能,只要这些肖特基势二极管的VF特性值比内部地钳制二极管小。外部二极管也能对驱动IC分散一部分消耗(热源)和减小能量耗散(PD),也可以得到较大输出电流。见图5

4,电路及地的布线图示例:
由于UDN2916LB是一种斩波式电源驱动IC,设计时需要特别注意周围地的布线。可独立作为模拟地和数字地单点连接或也可用低阻抗的大面积铜皮作为地。见图6

应用电路:图7给出的应用电路已在实际产品中应用,控制双步进微型打印机需要两个UDN2916LB。

结束语:UDN2916LB具有接口简单、使用方便、便于精密输出控制等特点,同时又具备防止过温、防止误操作等特点,能够满足对双步进微型打印机的可靠控制。